技術特點
? 表箱體積小,內部走線規則、整齊,符合配電要求,安裝、維護、升級方便;
? 液晶顯示,顯示信息:戶號、累計、剩余、透支、時間、電壓、電流、功率、電價、故障、拉閘、通訊等;
? 電表進線端采用專用接線端子(專用模具),電流承載能力強,便于現場施工;
? 電表采用進口多功能、多資源、集成度高、運行速度快的處理器控制芯片(工業級),模塊化結構設計,抗干擾能力強;
? 電表采用專用三相電能計量芯片,測量周期短、精度高、性能穩定、使用壽命長,有效防止竊電;
? 電表通訊電路采用防雷電路,信號采用光電隔離,通訊電路與電表其它電路進行分離處理,可最大程度減輕雷擊對電表的傷害;
? 計量電路與通訊顯示電路采用雙 CPU結構,一個主管計量,一個主管通訊指示和顯示,通訊時不影響計量;
? 單三相用戶組合可通過軟件進行任意設置;
? 電能信號采集模塊接口采用電腦專用接,經過特殊處理,信號傳輸可靠;
? 內部強電與弱電間采用鍍鋅屏蔽板隔離,可減輕強電對弱電信號的干擾;
? 內有繼電器檢測裝置,具有缺相保護功能;
? 電表各種數據參數采用加密算法,保證數據安全;
? 具有狀態查詢功能,可實時查詢用戶的用電負荷;
? 直接接入式電表,最大單相用戶數量為36戶,可靈活設置三相用戶數量。
? 內部電源三相供電,具有電源缺相指示功能;電源缺相,電表照常工作;
? 網絡通訊功能,電表提供RS485接,可直接組建RS485通訊網絡或通過轉換器實現其他通訊方式的組網。
功能特點
? 預付費(倒計數)功能:用戶須先購電后用電,欠費斷電,繳費方式多樣。
? 后付費(正計數)功能:傳統模式,先用電后交費。
? 控制功能:內部有繼電器,可以控制及監控用戶用電。
? 斷電事件記錄功能:電表將記錄每戶電表最后一次斷電的時間和斷電原因(例:欠費斷電、過載保護斷電、惡性負載斷電等),便于管理人員查詢用戶的斷電情況。
? 檢測功能:內有繼電器檢測模塊,可以監測用戶用電狀態,可防止缺相等情況引起用戶設備的損壞。
? 過載保護(限流)功能:當用戶負載超過允用最大負載時,該用戶自動斷電保護。
? 斷電恢復方式:分自動恢復、刷卡恢復。
? 低電量報警功能:設置報警電量,剩余電量小于設置報警電量后可選擇閃爍、斷電、短信等方式提醒。
? 允許透支電量功能:根據用戶信譽不同可設置不同允用透支電量,超過設置參數后欠費斷電。
? 定時斷送電(開關)功能:根據每個時間段的通斷狀態,實現對用戶的定時通斷電控制。每周56個時間點自行設定。支持2套定時模式之間的切換。
? 用戶雙回路(三回路、四回路)供電功能:將電表的2條(3條、4條)出線提供給一個用戶使用,除2線(3線、4線)用電進行合計計算外,用戶的每條供電線路的功能與選擇的電表類型的功能完全相同,所有使用參數可分別設置,實現獨立控制。
? 免費贈予電量功能:即每月免費贈予用戶一定電量,并累加至剩余電量中。
? 惡性負載識別功能:考慮到安全用電問題,產品可對惡性負載(惡性負載:容易構成火災等危險的純阻性發熱用電器,例如熱的快、電爐、電鍋等)進行控制,而不影響正常(允許)用電器的使用。
? 夜間小功率限制功能:設置夜間負載參數,夜間可方便用戶使用小功率電器(如:電池充電器等)。
? 特許負載允用功能:可設置多個允用或禁用負載,方便用戶對特殊電器的正常使用及限制。
? 總表計量功能:可計量統計多用戶出線所有回路的累計電量(直接接入式)。
? 缺相保護功能:三相用戶在缺相的情況下,繼電器自動斷開,起保護作用。
主要技術指標
? 額定電壓:AC~3x220/380V
? 精度等級:1級
? 標定電流:5(40)A,脈沖常數:900imp/kW·h
15(60)A,脈沖常數:900imp/kW·h
20(80)A,脈沖常數:400imp/kW·h
? 電量分度:0.01度
? 使用環境溫度:-25℃~55℃
型號代碼對照表

功能對照表

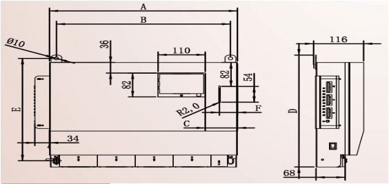
電能表、配電箱尺寸一覽表

外形尺寸圖

